1. TOP
  2. LD/LED
  3. 700 nm - 1399 nm

型番: メーカー:QD Laser 商品コード:L001264

1064nm Laser Diode, 50mW

波長: 1064nm-1064nm
出力: 50mW-50mW
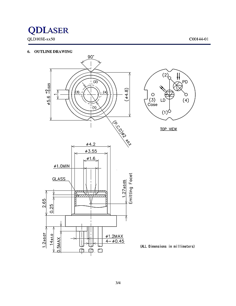
パッケージ: TO-can
テクノロジー: DFB Laser

1064nm laser diode with >50mW output power from QDLaser. This distributed feedback (DFB) laser is suitable for various applications, such as seeder, measurement, sensing, frequency doubling and etc. The laser is mounted into a TO-56 header including a monitor PD for optical power control and hermetic sealed with a flat type cap.

FEATURES:
- Single longitudinal mode operation at 1064nm
- CW and shot pulse operation
- 5.6mm TO-CAN package
- Monitor PD included

APPLICATION:
- Seeder
- Measurement
- Sensing
- Frequency doubling
- Short pulse generation

価格 地域 代理店
要問い合わせ 京都府 株式会社光響

この商品を見ている人はこんな商品も見ています