型番:PLR600 メーカー:Ondax, Inc. 商品コード:L000544
メーカー希望小売価格: Request Price
波長: 785nm-830nm
出力: 600mW-600mW
スペクトル幅: < 500kHz
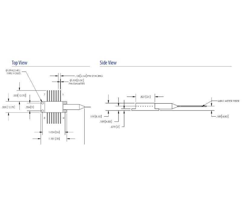
パッケージ: butterfly
テクノロジー: narrow linewidth, raman spectroscopy
Product Overview:
Raman Spectroscopy from Ondax are butterfly packaged lasers. They are wavelength-stabilized, high-power, fiber-coupled lasers designed specifically for Raman applications. The narrowed linewidth, low power consumption, and broad stabilized temperature operating characteristics deliver affordable, portable instrument-quality performance. All SureLock™ Series lasers are stabilized using the Ondax PowerLocker® Volume Holographic Grating (VHG), ensuring precise, ultra-stable center wavelengths, low temperature dependence, and consistent optical performance over the locked region. Available with FC/PC or FC/APC connectors.
| 価格 | 地域 | 代理店 | |
|---|---|---|---|
| 要問い合わせ | 東京都 | 株式会社ティー・イー・エム | |