1. TOP
  2. LD/LED
  3. 700 nm - 1399 nm

型番:QUALD0005 メーカー:Quantel (LD) 商品コード:L000861

High Power QCW Conductivity Cooled Laser Diode Stacked

メーカー希望小売価格: Request Price 波長: 808nm-808nm
出力: 500W-500W
パッケージ: stack
テクノロジー: high power laser stack

Product Overview:
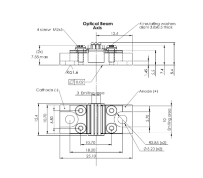
The Quantel QCW 500W laser are a variety of conductivity cooled laser diode stacked arrays designed with a Fast-Axis Collimation lenses (FAC lenses). These lenses are accurately aligned to each diode bar. This allows a divergence reduction in the Fast-Axis to a very low value (8 mrad @ 1/e²). 5 Bars are aligned on the package to provide 500 watt output at 808nm.

価格 地域 代理店

代理店が登録されていません

この商品を見ている人はこんな商品も見ています