1. TOP
  2. LD/LED
  3. 590 nm - 634 nm

型番:CP-633-PLR70 メーカー:Ondax, Inc. 商品コード:L000699

Narrow Linewidth, High Power, Single Mode Collimated Output Beam Laser Diode

メーカー希望小売価格: Request Price 波長: 633nm-633nm
出力: 70mW-70mW
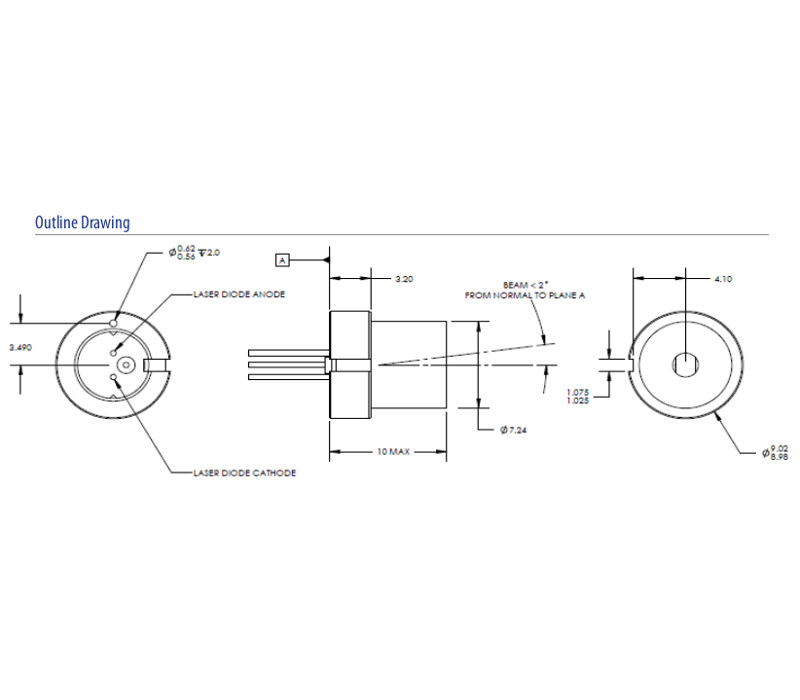
パッケージ: TO-can, collimated
テクノロジー: narrow linewidth laser

Product Overview:
Compact wavelength stabilized 633nm laser diode from Ondax with output power up to 70mW. Spectral linewidth of 150 MHz (typical 0.06nm). TO-can footprint for integration into systems or laboratory use.

価格 地域 代理店
要問い合わせ 東京都 株式会社ティー・イー・エム

この商品を見ている人はこんな商品も見ています