1. TOP
  2. LD/LED
  3. 700 nm - 1399 nm

型番:FL-LM2047-25-808-200、FL-LM2048-50-980-200、FL-LM2045-40-980-400、FL-LM2002-15-976-200、FL-LM1524-15-981-200、FL-LM2024-32-808-400、FL-LM2004-35-976-200、FL-LM1889-40-981-200 メーカー:Focuslight Technologies Inc. 商品コード:L003753

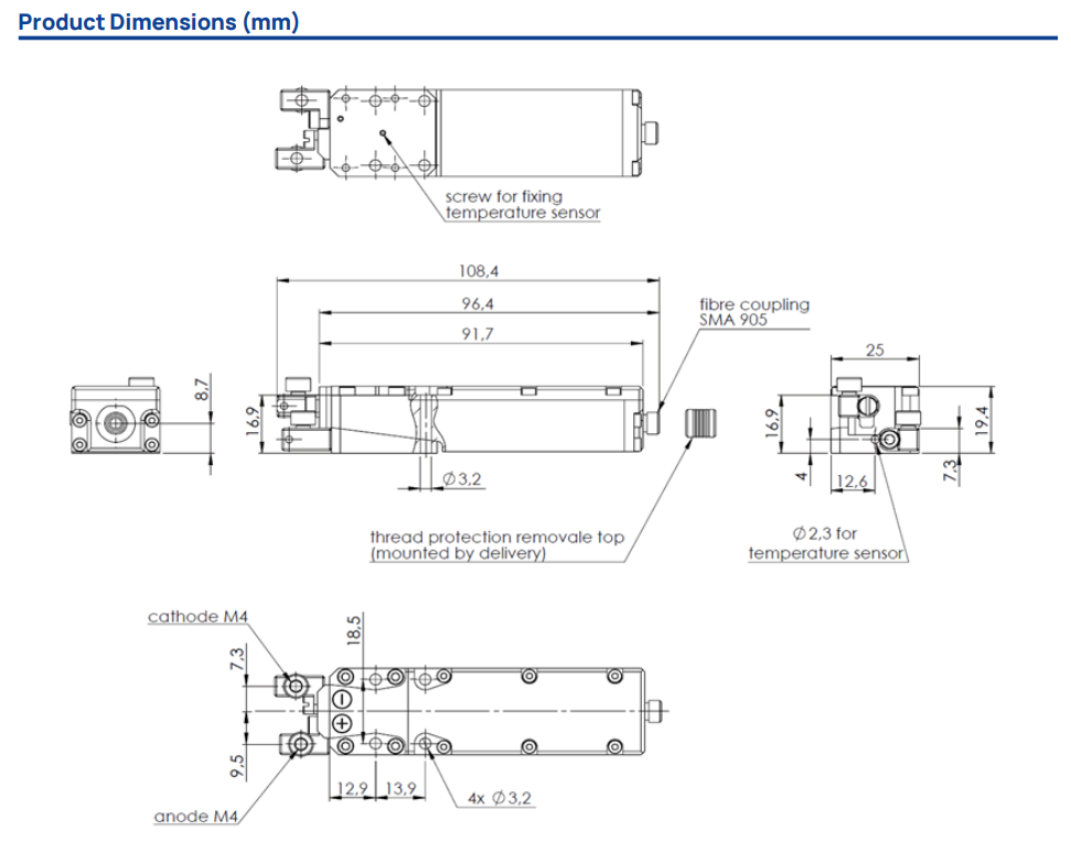
High Power Fiber Coupled Diode Laser:LM

波長: 798nm-990nm
出力: 15W-55W
電流: 30A-102A
電圧: -2V
テクノロジー: CW

< LM >
・Bar based fiber coupled module
・Conduction cooling
・Compact housing
・Hermetically sealed housing
・Applicable to medical, pumping, illumination
・Plug and play fiber connector
・High brightness
・High E/O efficiency

< Applications >
・Plastic Welding
・Solid-State Laser Pumping
・Advanced Manufacturing
・Health
・Information Technology
・Scientific Research

価格 地域 代理店
要問い合わせ 株式会社ハナムラオプティクス
要問い合わせ 京都府 株式会社光響

この商品を見ている人はこんな商品も見ています