1. TOP
  2. レーザー周辺機器

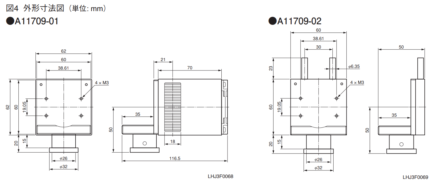
型番:A11709-01、A11709-02、A11709-03 メーカー:浜松ホトニクス株式会社 商品コード:L003603

HHLマウント A11709シリーズ [ 量子カスケードレーザ (QCL)用アクセサリ ]

冷却方法: 強制空冷:A11709-01/A11709-03、水冷:A11709-02

HHLパッケージタイプ専用の冷却ユニットです。「強制空冷」、「水冷」タイプを用意しています。非球面ZnSeレンズユニットA11331-0xHを取り付け可能です。詳細は、 量子カスケードレーザ (QCL)用アクセサリPDFのP.8とP.9をご覧ください。

< 仕様 >
[ A11709-01 ]
排熱方法:強制空冷
最大排熱量:約30W
熱抵抗:約0.5℃/W
動作温度:0℃~+40℃
外形寸法 (W x H x D):68mm x 82mm x 117mm
質量:0.5kg
最大定格電流:0.47A
動作電圧:10.8V~12.0V
定格回転数:7600min-1
最大風量:1.05m3/min
最大静圧:155.0Pa
音圧レベル:44dB[A]

[ A11709-02 ]
排熱方法:水冷
最大排熱量:約50W
熱抵抗:約0.3℃/W
動作温度:0℃~+40℃
外形寸法 (W x H x D):60mm x 103mm x 50mm
質量:0.52kg
冷媒:水
最大流量:5000cc/min
推奨流量:2000cc/min
インプット/アウトレットパイプの寸法:Φ6.35mm
材料:銅

[ A11709-03 ]
排熱方法:強制空冷
最大排熱量:約15W
熱抵抗:0.3℃/W
動作温度:-20℃~+60℃
外形寸法 (W x H x D):46mm x 46mm x 49.5mm
質量:0.13kg
最大定格電流:0.07A
定格電圧:DC12V
電源リード線コネクタ:HXP-2 (JST)
電源リード線/長さ:赤:+、黒:-/0.1m

価格 地域 代理店

代理店が登録されていません

この商品を見ている人はこんな商品も見ています