1. TOP
  2. LD/LED
  3. 635 nm - 699 nm

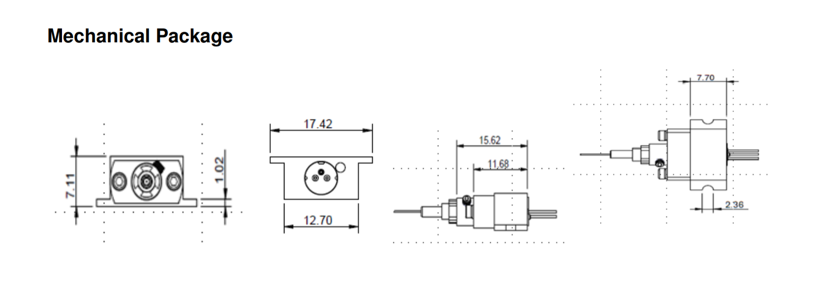
型番:FiberMax658  メーカー:Blue Sky Research 商品コード:L003321

658nm / 2, 5, 20, 80mW Fiber Pigtailed Red Laser Module

波長: 645nm-665nm
出力: 1.5mW-80mW
電流: 27mA-210mA
電圧: 2.1V-3.0V
テクノロジー: Fiber Pigtailed Red Laser Module

< Description >
FiberMax658 is a fiber-pigtailed red laser module delivering superior performance for today’s demanding electro-optic applications. Based on Blue Sky Research laser packaging technology, the FiberMax658 provides excellent coupling efficiency and stability in a cost effective package. The thermally stable design of the FiberMax658, based on our standard FiberMAX packaging technology, is a proven, stable package with many thousands of lasers operating in demanding applications. The units are offered with Multimode, Polarization Maintaining Single Mode or Single Mode fiber, 3mm or 0.9mm jacketing and a range of collimator options.

価格 地域 代理店

代理店が登録されていません

この商品を見ている人はこんな商品も見ています