1. TOP
  2. レーザー周辺機器
  3. 温度/TECコントローラ

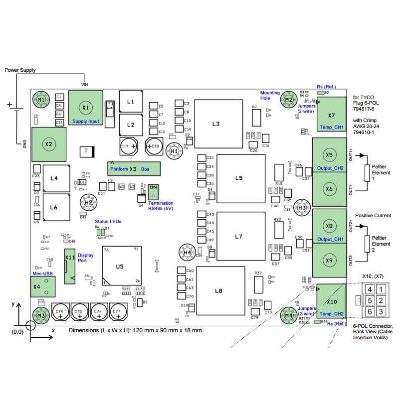
型番:TEC-1122 メーカー: 商品コード:L002918

220 Watt Dual Output Laser Diode Temperature Control Board

メーカー希望小売価格: Request Price

Product Overview:
The TEC-1122 is a RoHS compliant and specialized TEC controller/power supply able to precision-drive two independent Peltier elements. Each channel features a true bipolar DC current source for cooling/heating, two temperature monitoring inputs (1x main, 1x auxiliary) and intelligent PID control with auto-tuning. The TEC-1122's two independent channels may also be operated in parallel, to either drive two individual or one common load (current doubling).
The TEC-1122 is fully digitally controlled and its firmware offers numerous communication and safety options. It has an included PC-Software allows configuration, control, monitoring and live diagnosis of the TEC controller via USB and RS485. All parameters are saved to non-volatile memory. Saving can be disabled for bus operation.
The TEC-1122 can handle either Pt100, Pt1000 or NTC temperature probes. For highest precision and stability applications, a Pt100 / 4-wire input configuration is recommended. The analog measurement circuit is factory calibrated. It has auxiliary temperature inputs that allow the connection of NTC probes that are located on the heat sinks of the Peltier elements.
Further functionality includes smooth temperature ramping, thermal stability indication and auto gain (NTC probes). The PC-Software allows data logging and configuration import/export.
The TEC-1122 is part of the TEC-Family of Meerstetter TEC controllers designed to operate alongside devices of the LDD-Family of laser diode drivers. Both families of drivers share the same system bus, design, technology and physical dimensions.

価格 地域 代理店

代理店が登録されていません

この商品を見ている人はこんな商品も見ています