型番: メーカー:FITEL 商品コード:L002404
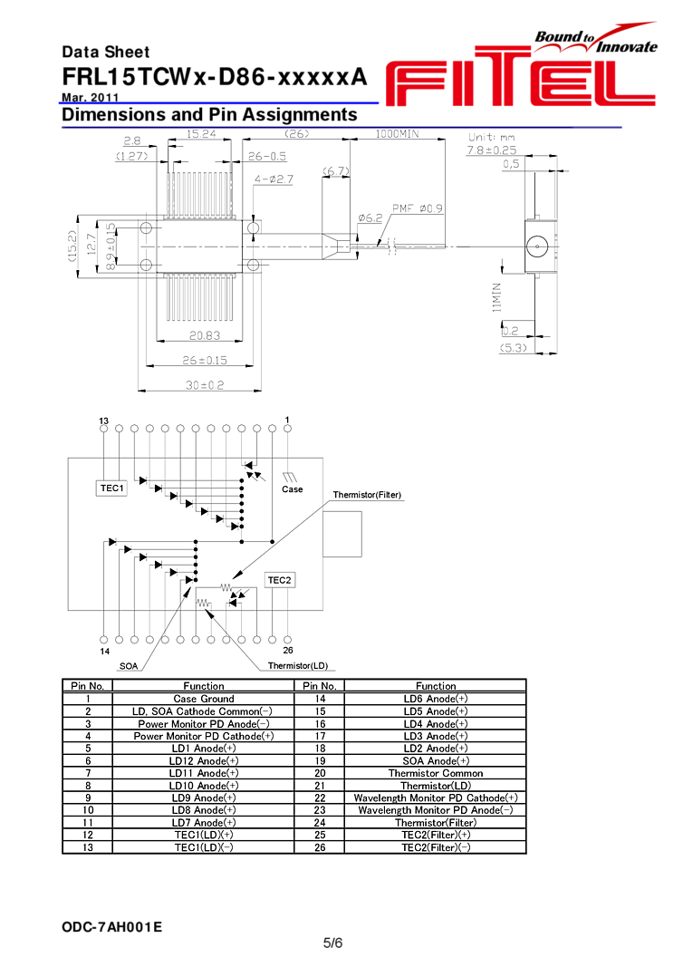
波長: 1527nm-1610nm 出力: 20mW-20mW パッケージ: 26 pin butterfly テクノロジー: tunable laser diode
1527nm-1610nm 20mW 26 pin butterfly tunable laser diode
805nm-810nm 200W Diode Laser
商品コード: L001048 805nm, 810nm Key Specifications: CW nominal output power 200W Fiber core diameter 400µm C...
445nm / 1.5W Fiber Coupled Laser Module [SW Series]
商品コード: L003163 SW-Series Laser Modules is a series of modules with single wavelength (single color) fiber couple...
685nm Diode Laser, 45mW
商品コード: L000457 685nm : Ondax’s 685nm Wavelength Stabilized Laser Diode is a single mode, single frequency l...
DFB Laser | 1650nm-1850nm
商品コード: L002283 1650nm-1850nm The data sheet attached for DFB Laser devices in the 1650nm-1850nm range descr...
Pulsed Laser Diode Driver for TO-Can Packaged Devices, 500 kHz Repetition Rate, 10 Nanosecond Pulses
商品コード: L003014 Product Overview: The TRMCS001 is a precision pulsed laser diode current source which ha...