型番:DFB-ITU-10 メーカー:Emcore Corporation 商品コード:L002379
メーカー希望小売価格: $795.00
波長: 1550nm-1563nm
出力: 10mW-10mW
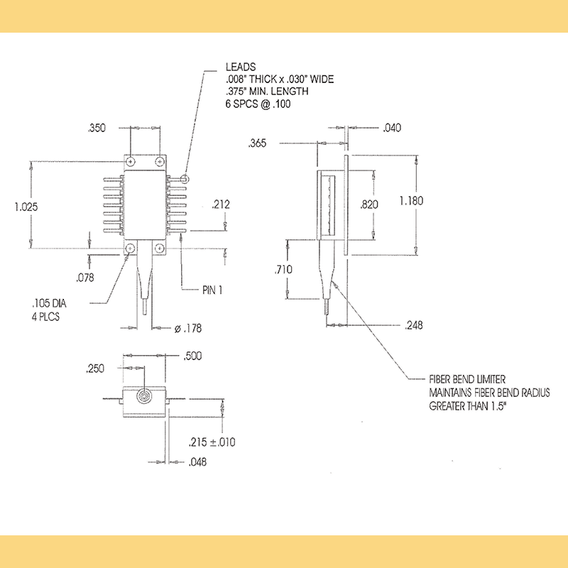
パッケージ: Butterfly
テクノロジー: DFB with Single Mode Fiber
Product Overview:
These butterfly packaged DFB laser diodes from EMCORE are offered at C-Band wavelengths from 1526nm to 1563nm. They are offered at ITU grid wavelengths. They come at standard 100 GHz spacing, with 50 GHz spacing available on request. These DFB lasers offer a minimum of 10 mW of output power from a single mode fiber with FC/APC termination. They come with an integrated TEC cooler, a 10K thermistor, a monitor PD and an optical isolator. These butterfly packaged 1550 nm sources offer a high efficiency coupling scheme to deliver >10 mW and are offered in an industry standard "Type 2" pin configuration. Please request your specific wavelength at the time of order or when you request a quotation.
DFB Laser Diode Sources for Tunable Diode Laser Absorption Spectroscopy and Sensing:
These DFB diode lasers are a cost effective solution for trace gas sensing applications in the 1.5 micron range. These devices are used to measure a reduction of the beam intensity in the presence of a specific gas molecule with an absorption line in the C-band range. These DFB lasers offer a well defined temperature tuning coefficient for scanning trace gases over a 10 to 100 picometer range. This is typically done by modulating current to the laser diode to enable the tuning required.
| 価格 | 地域 | 代理店 | |
|---|---|---|---|
| 要問い合わせ | エム・アールエフ株式会社 | ||
| 要問い合わせ | 住友大阪セメント株式会社 | ||