1. TOP
  2. LD/LED
  3. 700 nm - 1399 nm

型番: メーカー:QD Laser 商品コード:L001730

1240nm DFB Laser, 30mW

波長: 1240nm-1240nm
出力: 30mW-30mW
パッケージ: TO-Can
テクノロジー: DFB Laser

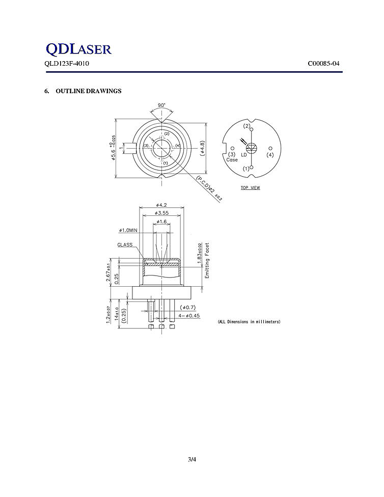
1240nm DFB laser from QDLaser. The QLD123F-4010 is a 1240nm DFB laser suitable for gas sensing applications. The laser is mounted into a TO-56 header and hermetically sealed with a flat-type cap.

FEATURES:
- Single-longitudinal-mode operation at 1240nm
- CW and pulsed operation
- 5.6mm TO-CAN package

APPLICATIONS:
- Gas analysis
- Optical Time Domain Reflectometer (OTDR)

価格 地域 代理店
要問い合わせ 京都府 株式会社光響

この商品を見ている人はこんな商品も見ています